起重机现场现代化改造、性能提升、延长起重机寿命简介
查看产品详情、图集和应用内容。
产品导航
核心参数

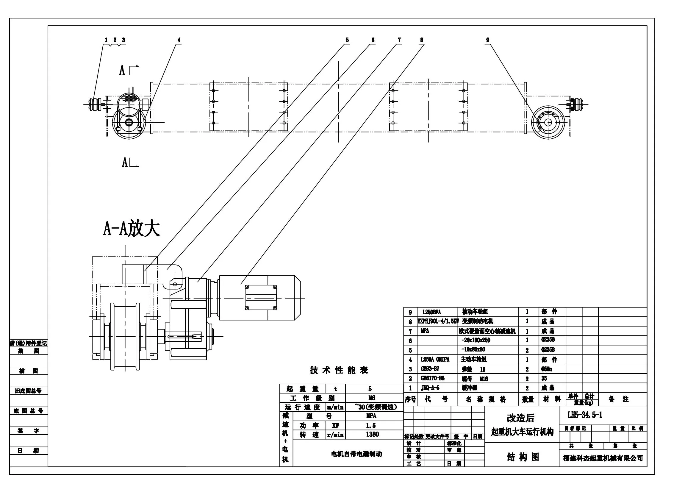
目前国内起重机运行部分多采用传统的车轮上带齿圈与驱动上小齿轮啮合的开式齿轮传动+锥型转子制动电机来构成完整的传动结构。该结构主要弊端如下:1.传动精度低,稳定性差2.在起重机启、停换向过程中产出冲击,造成齿面磨损严重极大影响了起重机的寿命3. 起重机在工作过程中因该传动为开式传动叠加锥型转子制动响声造成起重机运行噪声过大。
针对以上问题我司现场改造、性能提升、延长起重机寿命方案如下:
将开式传动改为由内联系传动车轮配装高精度、硬齿面减速机+起重专用高工作制变频制动电机+变频器或软启动电机构成的闭式传动系统。该系统不仅解决了开式传动的弊病还使得起重机运行机构工作制达到M6及以上。
附:开式齿轮传动与闭式传动原理对比图纸及图片
(此内容由www.kjqz.com提供)
